Silent Bloc Barre Anti Roulis AR / Essieux Ford Capri
2 Silent Blocs Polyuréthane Barre Anti Roulis Arrière / Essieux.
Vérifier diamètre de votre barre (en général 10mm)
12mm = Ford # 6014658
2.8 injection = 14mm = Ford OEM# 1595704
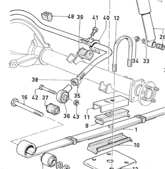
Pièce numéro 39
PAF Classic 🇬🇧 est distributeur officiel des silent bloc polyurethane de la marque Superflex.
Les Silent Bloc polyuréthane Superflex ne sont pas de simples copies des originaux. Ils sont conçus individuellement pour tirer pleinement parti des caractéristiques particulières du polyuréthane : sa durabilité et sa capacité exceptionnelle d'absorption des frottements, chose impossible avec le caoutchouc.
Les silent bloc Superflex sont fabriqué en polyurethane de dureté allant de 50 Shores A (mou) à 99 Shores A (rigide) pour optimiser les performances et la durabilité (tolérance +/- 3 points). Différents niveaux de dureté sont utilisés à diverses positions sur la voiture, en fonction de la charge à cet endroit – tels que testés et prédéfinis par nos soins, adaptés à une utilisation sur route ou sur route rapide. En tant que client, vous n'êtes donc pas obligé de choisir la dureté, sauf s'il existe une option sur nos annonces. Pour certaines applications, nous pouvons fabriquer des bagues généralement dans des qualités plus fermes sur commande spéciale.












